网站首页
关于凯越
产品中心
新闻中心
企业文化
联系我们
售后服务
产品分类
→
导出辊及托辊用旋转接头
→
往复式旋转接头
→
铸轧机专用旋转接头
→
卷取机高压旋转接头
→
冷渣机专用旋转接头
→
包塑软管
→
波纹补偿器
→
倒浮筒节能疏水阀
→
金属软管
→
快换接头
→
淀粉专用旋转接头
→
连铸机专用旋转接头
→
H型旋转接头
→
D型旋转接头
→
Q型旋转接头
您现在的位置是:
首页
|
产品展示
| 双向流通式HMDUS型
双向流通式HMDUS型
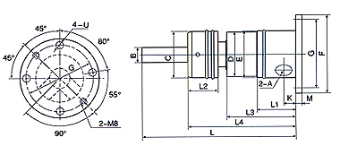
HMUDD型系列旋转接头系根据现代化连铸设备连铸机轧辊特点而设计的,它将接头形体的绝大部分深入到辊子里面,外面仅露出管道连接弯头,有利于辊道流与流之间的空间布置。旋转接头的密封结构设计,除采用了平衡型密封设计外,还改变了原来轴向串列式为独特的倒置内藏密封式,这样,不但减小了轴向长度,而且使壳体结构成为一体,更利于接头的拆装与维护。
使用条件:
轴向伸缩量:100mm
最大工作压力:1.2mpa
实验压力:1.8mpa
最高工作温度:120oC
最高转速:60r/min
型号
A
B
C
D
E
F
G
K
L1
L2
L3
M
U
TXGD
20
19
59
58.5
60
100
84
14.7
48
37.5
87
8
【打印】
【关闭】
【返回】
相关产品
HM型连铸机专用接头-双向
单向HM型连铸机专用接头
单项流入式HMDUD型旋转接头
双向流通式HMS型
单向HM型连铸机专用接头
首页
上一页 下一页 尾页 页次:1/1页 共5条记录 转
页